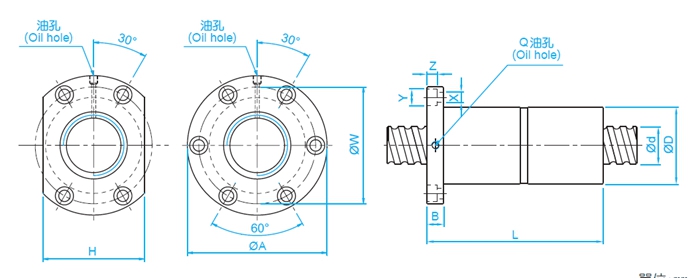
优势特点:国产超重负载丝杆DFVR8020,轴径为80mm,导程为20mm,螺母对称安装孔的距离为172mm,滚珠丝杠转速不高,且高速运转时间很短,因而发热不是主要问题。为此应选用运转精度高、轴向刚度高、摩擦力矩小的滚动轴承。

| 型号 |
轴 径 d |
导 程 I |
珠 径 Da |
螺帽尺寸 |
动额定 负荷 Ca |
静额定 负荷 Coa |
刚性
kgf/
μm
|
||||||||||
| D | A | B | L | W | H | X | Y | Z | Q | n | |||||||
| DFVR8020-4.8 | 80 | 20 | 9.525 | 143 | 204 | 28 | 340 | 172 | 148 | 18 | 26 | 18 | M8 | 4.8×1 | 15103 | 57296 | 226 |
国产超重负载丝杆DFVR8020对坐标定位精度的影响
国产超重负载丝杆DFVR8020精度,主要是指螺距误差和间隙误差,它们属于一阶误差。
为了弥补国产丝杠的螺距误差和间隙误差,就要利用NC系统所具有的螺距误差补偿机能和反向间隙补偿机能。
螺距误差补偿是指按一定间距测定定位误差值,并在某一累积误差值处补以指令脉冲,以使它能够消除或减少该处的累积误差值。
为了便于观察和分析,一般都要画出定位精度变化曲线,并根据其变化趋势,确定补偿脉冲数和方向(加或减)。
国产超重负载丝杆DFVR8020,轴径为80mm,导程为20mm,螺母对称安装孔的距离为172mm,滚珠丝杠转速不高,且高速运转时间很短,因而发热不是主要问题。为此应选用运转精度高、轴向刚度高、摩擦力矩小的滚动轴承。
国产超重负载丝杆DFVR8020,轴径为80mm,导程为20mm,螺母对称安装孔的距离为172mm,滚珠丝杠转速不高,且高速运转时间很短,因而发热不是主要问题。为此应选用运转精度高、轴向刚度高、摩擦力矩小的滚动轴承。
上一篇:DFVR8010
下一篇:没有了











